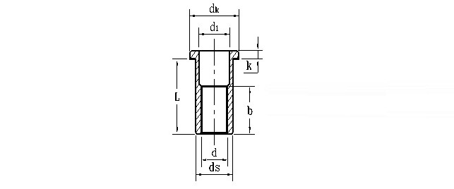
QIB/IND FMKS 不锈钢平头滚花拉铆螺母
规格尺寸:M4-M12
标准号:QIB/IND FMKS
材质 :304不锈钢
头型:平头
QIB/IND FMKS
铆螺母,又称拉铆螺母,拉帽,用于种种金属板材、管材等制造工业的紧固领域,普遍地使用在汽车、航空、铁道、制冷、电梯、开关、仪器、家具、装饰等机电和轻工产品的装配上。为解决金属薄板、薄管焊接螺母易熔,基材易焊接变形,攻内螺纹易滑牙等弱点而开发,它不需要攻内螺纹,不需要焊接螺母、铆接牢靠效率高、使用利便。




螺栓
螺母
螺钉
螺柱
垫圈
压铆紧固件
铆钉手艺
螺纹嵌件
PT牙纹紧固件
CNC车床件