-
±ê×¼½ô¹Ì¼þ
-
ÌØ¶¨½ô¹Ì¼þ
-
·Ç±ê¶¨ÖƼþ
ÀÃÆô³ÝÐͱâԲͷ³éоö¤GB/T 12618-1990
¹æ¸ñ³ß´ç£ºM4-M12
±ê×¼ºÅ£ºGB/T 12618-1990
²ÄÖÊ £ºÂÁ
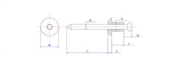
GB/T 12618-1990 Æô³ÝÐͱâԲͷ³éоö¤
ÊÇÒ»Ààµ¥ÃæÃ½ÓÓõÄö¤£¬µ«ÐëʹÓÃרÓù¤¾ß¡ª¡ªÀÃǹ(ÊÖ¶¯¡¢µç¶¯¡¢Æø¶¯)¾ÙÐÐýӡ£Ã½Óʱ£¬Ã¶¤¶¤Ð¾ÓÉרÓÃÃǹÀ¶¯£¬Ê¹ÃÌåÅòÕÍ,Æðµ½Ã½Ó×÷ÓÃ.ÕâÀàö¤ÌØÊâÊÊÓÃÓÚδ±ã½ÓÄÉͨË×ö¤(Ðë´ÓÁ½Ãæ¾ÙÐÐýÓ)µÄýӳ¡ºÏ£¬¹ÊÆÕ±éÓÃÓÚÐÞ½¨¡¢Æû³µ¡¢´¬²°¡¢·É»ú¡¢»úе¡¢µçÆ÷¡¢¼Ò¾ßµÈ²úÆ·ÉÏ¡£ÆäÖÐÒÔÆô³ÝÐͱâԲͷ³éоö¤Ó¦ÓÃ×î¹ã£¬³ÁÍ·³éоö¤ÊÊÓÃÓÚÍâòÐèҪƽ»¬µÄýӳ¡ºÏ£¬¹Ø±ÕÐͳéоö¤ÊÊÓÃÓÚÒªÇó½Ï¸ßÔØºÉºÍ¾ßÓÐÒ»¶¨ÃÜ·âÐÔÄܵÄýӳ¡ºÏ¡£




ÂÝ˨
ÂÝĸ
Âݶ¤
ÂÝÖù
µæÈ¦
ѹýô¹Ì¼þ
ö¤ÊÖÒÕ
ÂÝÎÆÇ¶¼þ
PTÑÀÎÆ½ô¹Ì¼þ
CNC³µ´²¼þ