-
±ê×¼½ô¹Ì¼þ
-
ÌØ¶¨½ô¹Ì¼þ
-
·Ç±ê¶¨ÖƼþ
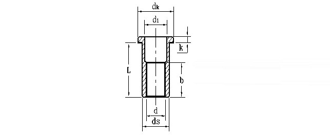
¹ö»¨ÀÃÂÝĸÎå²Êп׶ͷÃÂÝĸ
¹æ¸ñ³ß´ç£ºM5-M10
±ê×¼ºÅ£ºQIB/IND FMKS
²ÄÖÊ £ºÌ¼¸Ö
Í·ÐÍ£ºÆ½Í·
QIB/IND FMKS
ÃÂÝĸ£¬ÓÖ³ÆÀñ¡¢ÀÃÂÝĸ£¬ÓÃÓÚÖÖÖֹܲġ¢½ðÊô°å²ÄµÈÖÆÔ칤ҵµÄ½ô¹ÌÁìÓò£¬ÆÕ±éµØÊ¹ÓÃÔÚµçÌÝ¡¢ÖÆÀä¡¢ÒÇÆ÷¡¢¿ª¹Ø¡¢Æû³µ¡¢¼Ò¾ß¡¢ÌúµÀ¡¢×°ÊΡ¢º½¿ÕµÈÇṤ²úÆ·ºÍ»úµçµÄ×°ÅäÉÏ¡£Îª½â¾ö»ù²ÄÒ׺¸½Ó±äÐΣ¬¹¥ÄÚÂÝÎÆÒ×»¬ÑÀ£¬½ðÊô±¡°å¡¢±¡¹Üº¸½ÓÂÝĸÒ×ÈÛµÈÈõµã¶ø¿ª·¢£¬Ëü²»ÐèÒª²»ÐèÒªº¸½ÓÂÝĸ£¬Ã½ÓÀο¿¡¢¹¥ÄÚÂÝÎÆÐ§Âʸߡ¢Ê¹ÓÃÀû±ã¡£




ÂÝ˨
ÂÝĸ
Âݶ¤
ÂÝÖù
µæÈ¦
ѹýô¹Ì¼þ
ö¤ÊÖÒÕ
ÂÝÎÆÇ¶¼þ
PTÑÀÎÆ½ô¹Ì¼þ
CNC³µ´²¼þ