币游
效劳热线 :185 888 13133
周一至周六 8 : 30-17 : 30
EN
首 页
产 品
标准紧固件
特定紧固件
非标定制件
行业解决计划
水处置惩罚行业解决计划
商用车紧固件解决计划
光伏行业解决计划
新能源电池行业解决计划
薄板毗连铆接系统解决计划
通讯装备行业解决计划
管廊行业解决计划
风电塔筒系统解决计划
物流及交付
包装及标签订制化效劳
VMI 治理
4大交付中心
资料下载
标准盘问
关于币游
币游简介
币游工厂
认证证书
联系方法
币游商学院
首 页
产 品
标准紧固件
特定紧固件
非标定制件
行业解决计划
水处置惩罚行业解决计划
商用车紧固件解决计划
光伏行业解决计划
新能源电池行业解决计划
薄板毗连铆接系统解决计划
通讯装备行业解决计划
管廊行业解决计划
风电塔筒系统解决计划
物流及交付
包装及标签订制化效劳
VMI 治理
4大交付中心
资料下载
标准盘问
关于币游
币游简介
币游工厂
认证证书
联系方法
币游商学院
会见手机站
加微信取资料
产品中心
为客户降本增效提供科学的紧固件解决计划
标准紧固件
螺栓
螺母
螺钉
螺柱
垫圈
特定紧固件
压铆紧固件
铆钉手艺
螺纹嵌件
PT牙纹紧固件
非标定制件
CNC车床件
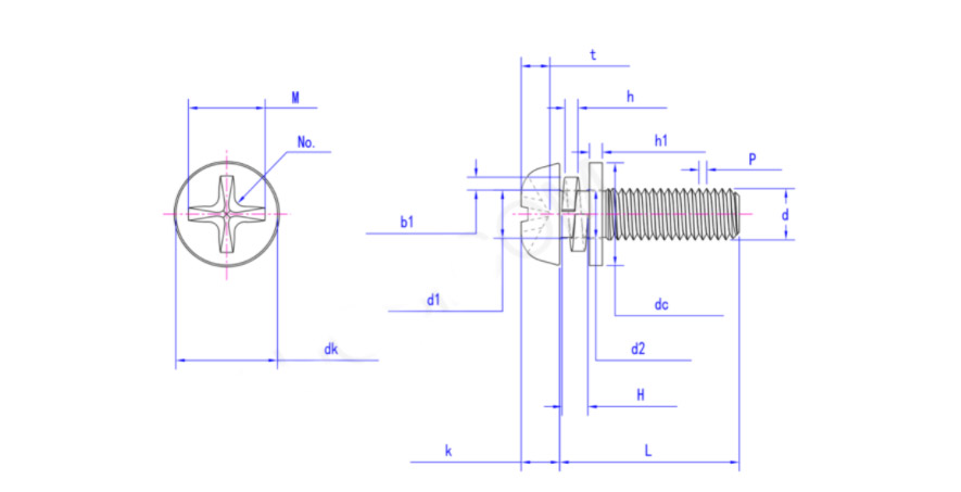
4.8级环保彩锌十字槽盘头螺钉平垫和弹垫组合
规格尺寸:
M3-M10
标准号:
GB/T 9074.4-1988
材质 :
碳钢
头型:
盘头
18588813133
GB/T 9074.4-1988
垫圈分为平面垫圈和弹簧垫圈,螺钉上紧后由于与工件接触面积小,加装平面垫圈可以增大工件承压面积,上紧不至于导致工件损坏或滑丝。弹簧垫圈主要是增大螺钉与工件间的摩擦系数,避免螺钉松动。
网站地图