-
±ê×¼½ô¹Ì¼þ
-
ÌØ¶¨½ô¹Ì¼þ
-
·Ç±ê¶¨ÖƼþ
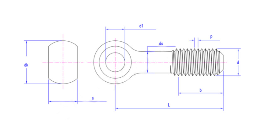
¶Æ²Êп»î½ÚÂÝ˨ ¿×ÑÛÂÝ˨ ±ê×¼ºÅDIN444
¹æ¸ñ³ß´ç£ºM6-M20
±ê×¼ºÅ£ºDIN 444
²ÄÖÊ £ºÌ¼¸Ö
Í·ÐÍ£º»î½Ú
DIN444
»î½ÚÂÝ˨£¬Óֳƿ×ÑÛÂÝ˨£¬×ñÕÕGB/T798-88±ê×¼£»ÍâÑóÓÖ³ÆÓãÑÛÂÝ˨£¬×ñÕÕDIN444±ê×¼¡£¾«ÖÆ¿×ÑÛÂÝ˨,ÇòÃæ¹â½à,ÂÝÎÆ¾«¶È½Ï¸ß£¬ÂÝÎÆ¹æ¸ñΪM6µ½M64¡£»î½ÚÂÝ˨µÄÍâò´¦Öóͷ£ÓУºÈȶÆÐ¿¡¢Éø¶Æ¡¢¶Æ°×¡¢¶Æ²ÊµÈ·À¸¯²½·¥¡£
»î½ÚÂÝ˨ÆÕ±éÓ¦ÓÃÓÚ£ºµÍθßѹ·§ÃÅ¡¢Ê¯ÓÍ×ê²É×°±¸¡¢Á÷Ì幤³Ì¡¢Ñ¹Á¦¹ÜµÀ¡¢ÓÍÌï×°±¸µÈÁìÓò£¬¾³£ÔÚ²ð¿ªÅþÁ¬µÄ³¡ºÏ»ò¹¤¾ßÉϺñȷ§ÃÅÐÐÒµ£¬ÕÛµþʽ×ÔÐгµ¡¢Í¯³µÉÏʹÓã¬ÓÉÓÚ»î½ÚÂÝ˨µÄʹÓÃÀû±ã¡¢¿ì½Ý£¬ÓëÅäÌ×ÂÝĸʹÓÃÆðÅþÁ¬½ô¹ÌµÄ×÷Óã¬Ó¦ÓùæÄ£¹ãºÜ¹ã¡£
»î½ÚÂÝ˨ÆÕ±éÓ¦ÓÃÓÚ£ºµÍθßѹ·§ÃÅ¡¢Ê¯ÓÍ×ê²É×°±¸¡¢Á÷Ì幤³Ì¡¢Ñ¹Á¦¹ÜµÀ¡¢ÓÍÌï×°±¸µÈÁìÓò£¬¾³£ÔÚ²ð¿ªÅþÁ¬µÄ³¡ºÏ»ò¹¤¾ßÉϺñȷ§ÃÅÐÐÒµ£¬ÕÛµþʽ×ÔÐгµ¡¢Í¯³µÉÏʹÓã¬ÓÉÓÚ»î½ÚÂÝ˨µÄʹÓÃÀû±ã¡¢¿ì½Ý£¬ÓëÅäÌ×ÂÝĸʹÓÃÆðÅþÁ¬½ô¹ÌµÄ×÷Óã¬Ó¦ÓùæÄ£¹ãºÜ¹ã¡£
Ïà¹Ø²úÆ·ÍÆ¼ö




ÂÝ˨
ÂÝĸ
Âݶ¤
ÂÝÖù
µæÈ¦
ѹýô¹Ì¼þ
ö¤ÊÖÒÕ
ÂÝÎÆÇ¶¼þ
PTÑÀÎÆ½ô¹Ì¼þ
CNC³µ´²¼þ






