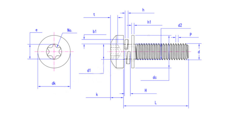
梅花槽盘头螺钉、平垫和弹垫组合GB/T 9074.1G-2018
规格尺寸:M3-M10
标准号:GB/T 9074.1G-2018
材质 :碳钢
头型:盘头
GB/T 9074.1G-2018
梅花槽螺钉属于一种不常用的螺钉种类,生产工艺和其它十字槽螺钉并没有太大区别,区别在于这个梅花槽和使用的装置工具差别。梅花槽盘头螺钉在按装上越发牢靠,不易松动打滑。在工具与槽面接触时,能有用地镌汰螺丝头部和外貌层的磨损,同时降低工具消耗,装置后的工件雅观具有一定装饰性。




螺栓
螺母
螺钉
螺柱
垫圈
压铆紧固件
铆钉手艺
螺纹嵌件
PT牙纹紧固件
CNC车床件